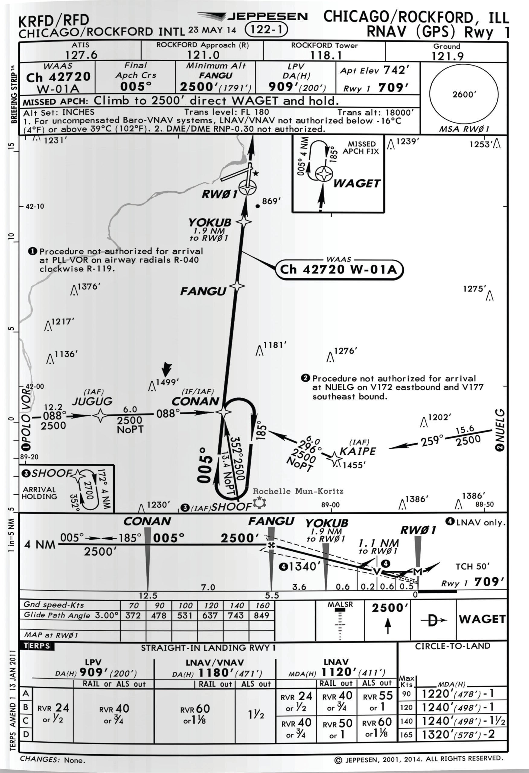
The RNAV approach is a type of GPS-based procedure that is becoming ubiquitous in general aviation as the FAA continues to roll it out at thousands of airports around the United States. If you’re adept at flying an ILS approach, RNAV LPV procedures (offering “localizer performance with vertical guidance”) should be very familiar to you, since lateral and vertical deviations are identical at similar distances. Have a look at the chart below to learn about the nuances of these types of satnav-based approaches.
ATC PHRASEOLOGY: To avoid confusion about when pilots should perform a hold in lieu of a procedure turn, controllers will specifically tell pilots flying RNAV procedures they are cleared “straight in” during an approach clearance. Also, instead of beginning approaches at an initial approach fix, pilots flying RNAV procedures may be cleared to an intermediate fix as long as it is on the final approach course and 3 miles or more from the final approach fix.
Chart courtesy of Jeppesen
